315.02 Veggmonterte klosetter med skjulte sisterner
315.02 Veggmonterte klosetter med skjulte sisterner
Teknisk forskrift (TEK17) til Plan- og bygningsloven har to bestemmelser om vannskadesikring, se utdrag.
a) § 13-15 punkt 3:
c) “Bygningsdeler med innebygd sisterne eller lignende skal sikres mot fuktinntrengning fra lekkasje fra installasjonen”
med følgende veiledningstekst:
“Innebygde sisterner og lignende må plasseres i en prefabrikkert kassett med vanntette overflater eller i et hulrom. Der det er relevant må hulrommets vegger og gulv ha vanntett sjikt som er kontinuerlig med resten av sjiktet for rommets vegg og gulv. Eventuelt lekkasjevann må dreneres ut i rommet slik at lekkasjen raskt blir synlig.
b) § 15-5:
“(3) Installasjoner skal
a) tilrettelegges for framtidig vedlikehold og være lett utskiftbare”
(4) Lekkasje skal kunne oppdages enkelt og ikke føre til skade på installasjoner og bygningsdeler.”
Kravet til at innebygde sisterner skal plasseres i prefabrikkerte kassetter eller i et hulrom med vanntett sjikt gjelder både for våtrom og tørre rom med vanninstallasjoner.
De to bestemmelsene må ses i sammenheng når det gjelder montering av skjulte sisterner, fordelerskap etc. Det åpner for tre ulike alternativer, alt etter som installasjonen foretas i våtrom/tørt rom og om sisternen plasseres i vegg eller i utenpåliggende kasse. Det må benyttes monteringsrammer som skal tåle en belastning på minimum 4000 N (400 kg) ytterst på toalettskåla. Det er derfor viktig av veggkonstruksjonen tåler denne belastningen. Se blad 315.21 for ytterligere informasjon om festing av toalett i vegg
C1 Våtrom med skjult sisterne i vegg

- Våtrom skal sikres mot inntrengning av vann til konstruksjonen ved bruk av gulv- og veggmembran
- Gulvet legges med fall under veggen på våtromssiden
- Veggen skal ha en spalte (hull) nederst under toalettet for drenering av lekkasjevann
- Rammen for oppheng av toalettet må monteres etter at membranarbeidet er utført og fall på gulv mot drensåpning er etablert
- Hull i membranen for skruefeste tettes med silikon. Membranen på utforingsveggen skal kun beskytte veggplatene i utforingen
- Veggplatene må forsegles ved spalten ved gulvet
- Les monteringsanvisningen nøye og bruk mal for utskjæring av hull i monteringsplaten
C2 Våtrom med skjult sisterne i kasse eller installasjonskassett utenpå vegg (veggkonstruksjonen er ikke berørt av sisternen)

- Vegg og gulv skal sikres med membran
- Kassen skal utføres i fuktbestandig materiale
- Kassen skal ikke membrantettes og ha en spalte nederst for drenering og synliggjøring av lekkasje i kassen
- Gulvet under kassen skal ha fall mot sluk
C3 Tørt rom (WC-rom) med skjult sisterne i vegg eller i kasse utenpå vegg
- Sisternen monteres i en kasse av fuktbestandige materialer som kan tåle en lekkasje over kort tid
- Ikke nødvendig med bruk av membran eller plastkassetter
- Kassen skal ha spalte ved gulv for synliggjøring av lekkasjer
- Det skal monteres en trådløs føler i spalten (lekkasjehullet), føleren gir signal til en magnetventil som stenger vannet ved lekkasje
- Eventuelt kan lekkasjevann føres med brutt avløp til tilstøtende rom med sluk
- Det kan også benyttes bevegelsessensor som stenger vann og slår av lyset samtidig
Sittehøyde på vegghengte toaletter
Sittehøyden på et vegghengt toalett kan bestemmes av brukeren på prosjekterings-tidspunktet, men det er naturlig å holde seg innenfor standardiserte rammer og tilsvarende høyder målt til topp porselenskant på gulvmonterte toaletter:
- For vanlig bruk: 400–420 mm
- For institusjoner/eldre mennesker: 460 mm
- For barn: 300 mm
- I tillegg kommer høyden på toalettsetet, som varierer mellom 20 og 40 mm.
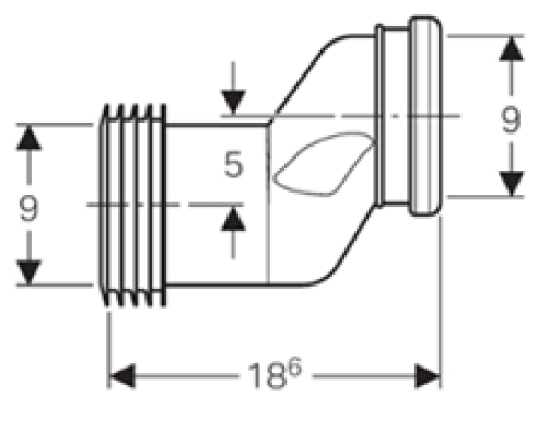
Dersom sittehøyden må justeres på et vegg-hengt toalett, kan man bruke en eksentrisk overgang med en førhøyningsmulighet på opptil 5 cm, se figuren.

Man kan også skaffe en toalettseteforhøyer (opptil 10 cm) som plasseres oppå porselens-kanten.
Til veggtoaletter produseres også rammer som har mulighet for høydejustering, men man må da velge en lett avtagbar frontplate.
